氣動方球閥 法蘭球閥 直通球閥 灑水車配件閥門
日期:2022/01/07
瀏覽:
| 品牌 : | 滬工恒 | 型號 : | GHQ641F-16P |
| 材質 : | 不銹鋼 | 連接形式 : | 法蘭 |
| 結構形式 : | 浮動球球閥 | 公稱通徑 : | 50-120 |
| 適用介質 : | 水 | 壓力環境 : | 常壓 |
| 工作溫度 : | 常溫 | 標準 : | 國標 |
| 流動方向 : | 單向 | 驅動方式 : | 手動 |
| 零部件及配件 : | 閥體 | 用途 : | 截止 |
| 類型(通道位置) : | 二通式 |
產品詳情
Product details
Product details
產品概述
氣動方球閥/消防球閥主要用于輸送水、泡沫混合液及其他液體滅火劑,介質溫度為-40℃~+70℃范圍內。主要安裝在消防滅火的各種管路上(如:消防車、消防管路供水系統等)。產品執行標準:ga 79-94
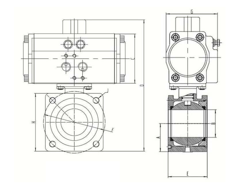
氣動方球閥主要用鑄鐵、不銹鋼、聚四氟乙烯等加工而成。主要結構及連接尺寸如下圖及表
產品結構圖

安裝注事事項
1、安裝前應核對蝶閥規格、壓力、溫度、耐腐性是否滿足使用要求。 應檢查各零部件是否損壞或松動。2、本氣動方球閥可安裝在任意角度的管道上,應關閉安裝為宜;焊接管道法蘭時應將閥門密封口用板擋住以防止顆粒、雜物挫傷密封面,焊后取下閥門,對閥門密封面及管道內腔進行清潔,然后再安裝固定閥門。
3、安裝時請注意閥門關閉狀態承壓方向。
4、安裝前應將密封面(兩端密封面、蝶板密封面、閥座密封面)徹底擦干凈,去掉灰塵和污物。
5、安裝前應空試蝶閥,啟閉應靈活,啟閉位置與指針指示位置相符合。
6、手動操作順時針為關,逆時針為開,指針指示到位后不準再加力啟閉閥門。
7、閥門做壓力試驗時,不準用單法蘭進行安裝試壓,必須采用雙法蘭安裝試壓。其試驗壓力應符合GB/T13927-92標準規定。
8、緊固螺栓時應對稱交替進行緊固,不準依次單獨緊固。
9、限位螺釘出廠前,已經調好,不準輕易調整。若配置驅動裝置為電動、氣動請閱配套驅動裝置說明書。
10、氣動方球閥出廠時已將控制機構的啟閉行程調好。通電時應檢查指示盤方向與閥門開啟方向一致即可。
11、發現閥門啟閉失常應查明原因進行修理和排除,防止用加力方法開關閥門,造成閥門的損壞。







溫馨提示:本文中所有文字、數據、圖片均只適用于參考,氣動方球閥 法蘭球閥 直通球閥 灑水車配件閥門性能參數、結構尺寸參數、價格等詳情,請聯系我們。
相關文章
- 2025/01/27GHZXQYF-16RL-DN25不銹鋼在線取樣閥
- 2024/12/30手動法蘭取樣閥
- 2024/12/27自動復位在線取樣閥-帶鎖-堵頭
- 2024/12/26在線氣動定量取樣裝置-帶免開箱蓋蓋裝置
- 2024/12/26在線密閉式取樣閥-配PFA取樣瓶



電動閥門