GIQ-50氣動真空蝶閥
日期:2022/08/08
瀏覽:
一、產品概述:
GIQ氣動高真空蝶閥的氣動執行器是以壓縮空氣為動力,通過電磁換向閥改變氣路方向,推動活塞齒條、齒輪的機械運動,以角行程輸出扭矩來驅動蝶閥,作啟閉運動。從而達到接通或切斷真空管路中氣流的目的,是目前一種新型的氣動執行器控制的氣動蝶閥,分為雙作用和單作用(彈簧復位)氣缸。可選配反饋信號裝置及電氣閥門定位器。適用的工作介質為空氣和非腐蝕性氣體。
二、性能參數:
|
適用范圍(Pa)
|
2x105~1.3x10-5
|
|
閥門漏率(Pa.L/S)
|
≤1.3x10-6
|
|
介質溫度(℃)
|
-25~+80(密封材料為丁腈橡膠)-30~+150(密封材料為氟橡膠) |
|
氣源壓力(MPa)
|
0.4~0.6
|
|
法蘭標準
|
GB/T6070
|
|
安裝位置
|
任意
|
|
控制電路
|
標準出廠:AC220V/50Hz特殊指定:AC110V;DC24V;DC12V等 |
|
信號反饋
|
標準出廠:閥位指示器特殊指定:微動開關;智能型4~20mA DC
|
|
氣缸可選
|
標準出廠:雙作用式特殊指定:單作用式(有彈簧返回)可選常開或常閉
|
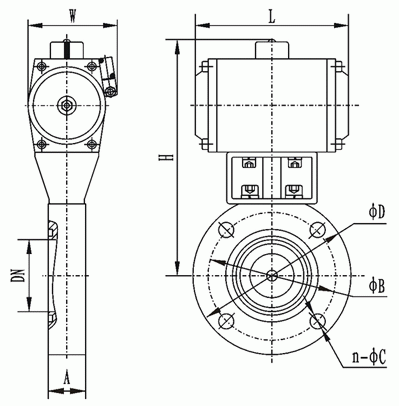
三、產品結構圖:

四、連接尺寸:
|
型號
|
通徑(DN)
|
ΦD
|
ΦB
|
H
|
A
|
L
|
W
|
n-ΦC
|
|
GIQ-50
|
50
|
110
|
90
|
206
|
26
|
164
|
105
|
4-Φ9
|
|
GIQ-63
|
63
|
130
|
110
|
217
|
32
|
|||
|
GIQ-80
|
80
|
145
|
125
|
247
|
190
|
124
|
8-Φ9
|
|
|
GIQ-100
|
100
|
165
|
145
|
257
|
8-Φ12
|
|||
|
GIQ-125
|
125
|
200
|
175
|
273
|
35
|
|||
|
GIQ-150
|
150
|
225
|
200
|
334
|
247
|
140
|
||
|
GIQ-200
|
200
|
285
|
260
|
391
|
45
|
302
|
165
|
12-Φ11
|
|
GIQ-250
|
250
|
335
|
310
|
467
|
50
|
372
|
198
|
|
|
GIQ-300
|
300
|
425
|
395
|
557
|
55
|
432
|
225
|
12-Φ14
|
|
GIQ-400
|
400
|
510
|
480
|
640
|
60
|
518
|
243
|
16-Φ14
|
|
GIQ-600
|
600
|
710
|
670
|
892
|
100
|
780
|
408
|
12-Φ21
|







溫馨提示:本文中所有文字、數據、圖片均只適用于參考,GIQ-50氣動真空蝶閥性能參數、結構尺寸參數、價格等詳情,請聯系我們。
相關文章
- 2025/01/27GHZXQYF-16RL-DN25不銹鋼在線取樣閥
- 2024/12/30手動法蘭取樣閥
- 2024/12/27自動復位在線取樣閥-帶鎖-堵頭
- 2024/12/26在線氣動定量取樣裝置-帶免開箱蓋蓋裝置
- 2024/12/26在線密閉式取樣閥-配PFA取樣瓶



電動閥門