D671X對夾式氣動軟密封蝶閥
日期:2018/05/23
瀏覽:
產品概述
D671X對夾式氣動軟密封蝶閥可分為氣動對夾軟密封蝶閥,閥體可選用不同材料的零件,配用不同材料的密封圈,既可作切斷介質用,又可作調節介質的流量用。D671X對夾式氣動軟密封蝶閥密封原理為閥板加工時保證其密封面具有合適的表面粗糙度值,合成橡膠閥座在模壓成形時形成密封面合適的表面粗糙度值。閥門關閉時,通過閥板的轉動,閥板的外圓密封面擠壓合成橡晈閥座,使合成橡膠閥座產生彈性變形而形成彈性力作為密封比壓保證閥門的密封。氣動對夾蝶閥適用于給排水、污水、食品、供暖、燃氣、船舶、水電、冶金、能源系統以及輕紡等行業,特別適用于雙向密封和閥體易銹蝕場合,作調節流量和截流介質。球閥型號編制說明
|
特殊閥 前代號 |
閥門類型 | 傳動方式 | 連接形式 | 結構形式 | 密封材質 | 公稱壓力 | 閥體材質 |
|---|---|---|---|---|---|---|---|
|
D:低溫閥 |
D:蝶閥 |
1:電磁-液動 2:電-液動 3:蝸輪 6:氣動 7:液動 8:氣-液動 9:電動 注:閥門為 手動時,此 欄不寫 |
4:法蘭 6:焊接 7:對夾 8:卡箍 9:卡套 |
見附表 |
T:銅合金 X:橡膠 F:氟塑料 H:合金鋼 Y:硬質合金 J:襯膠 W:本體 |
-10:PN1.0MPa -16:PN1.6MPa -25:PN2.5MPa -40:PN4.0MPa -64:PN6.4MPa -150LB:Class150 -300LB:Class300 -600LB:Class600 |
C碳鋼 H:Cr13系列鋼 I:鉻鉬鋼 K:可鍛鑄鐵 P:鉻鎳不銹鋼 Q:球墨鑄鐵 R:鉻鎳鉬不銹鋼 T:銅 TI:鈦及鈦合金 V:鉻鉬釩鋼 Z:灰鑄鐵 |
蝶閥結構形式代號附表
| 蝶閥結構形式代號 | |||||
|---|---|---|---|---|---|
| 結構形式 | 代號 | 結構形式 | 代號 | ||
| 密封型蝶閥 | 單偏心蝶閥 | 0 | 非密封型蝶閥 | 單偏心蝶閥 | 5 |
| 中心垂直板蝶閥 | 1 | 中心垂直板蝶閥 | 6 | ||
| 雙偏心蝶閥 | 2 | 雙偏心蝶閥 | 7 | ||
| 三偏心蝶閥 | 3 | 三偏心蝶閥 | 8 | ||
| 連桿機構蝶閥 | 4 | 連桿機構蝶閥 | 9 | ||
產品主要性能參數
| 公稱通徑DN(mm) | 50~1200 |
|---|---|
| 公稱壓力 | PN0.6、1.0、1.6、2.5MPa |
| 連接形式 | 對夾式 |
| 閥板形式 | 垂直板式 |
| 流量特性 | 近似快開型 |
| 動作范圍 | 0~90° |
| 泄露量 | 按GB/T4213-92,為Kv值的10-4,軟密封:零泄漏 |
| 基本誤差 | 帶定位器:小于全行程的±2%% |
| 回差 | 帶定位器:小于全行程的±2% |
| 配置執行機構 | GT、AT、AW系列單雙作用氣動執行器 |
| 控制方式 | 開關型(開關兩位控制)、調節型(4~20mA控制) |
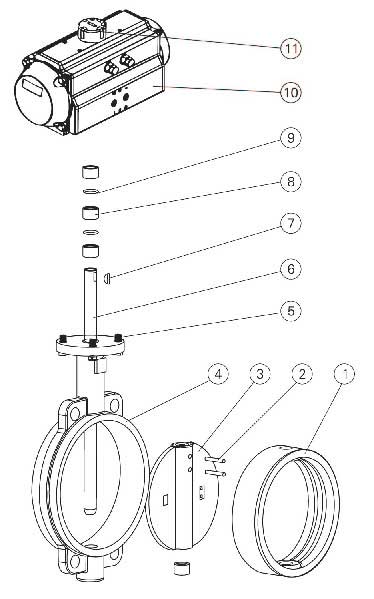
主要零件材質表

| 序號 | 零件名稱 | 材質 | ||
|---|---|---|---|---|
| Z | C | P | ||
| 1 | 閥座 | 橡膠、四氟 | ||
| 2 | 圓錐銷 | 45鋼 | 45鋼 | 不銹鋼 |
| 3 | 蝶板 | 球墨鑄鐵鍍硬鉻 | 碳鋼或不銹鋼 | 不銹鋼 |
| 4 | 閥體 | 灰鑄鐵 | 碳鋼 | 不銹鋼 |
| 5 | 螺栓 | 35鋼 | 碳綱 | 不銹鋼 |
| 6 | 閥桿 | 45鋼 | 不銹鋼 | 不銹鋼 |
| 7 | 鍵 | 45鋼 | 45鋼 | 不銹鋼 |
| 8 | 襯套 | 銅基粉末冶金 | 銅基粉未冶金 | 銅基粉末冶金 |
| 9 | 0形圈 | 橡膠、氟椽膠 | ||
| 10 | 氣動裝置 | AT系列、AW系列 | ||
| 11 | 位置指示器 | 塑料 | ||
主要性能規范
| 公稱通徑DN(mm) | DN50~1200 | ||||
|---|---|---|---|---|---|
| 公稱壓力 | PN(MPa) | 0.6 | 1.0 | 1.6 | 2.5 |
| 試驗壓力 | 強度試驗 | 0.9 | 1.5 | 2.4 | 3.75 |
| 密封試驗 | 0.66 | 1.1 | 1.76 | 2.75 | |
| 低壓氣密試驗 | 0.5~0.7 | ||||
| 適用介質 | 水、油、蒸氣、硝酸類(溫度≤80℃) | ||||
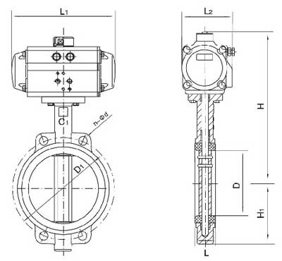
主要連接尺寸

| 公稱通經(DN) | 主要尺寸 | 法蘭尺寸 | ||||||||
|---|---|---|---|---|---|---|---|---|---|---|
| D671X | A | H1 | 1.0MPa | 1.6MPa | 2.5MPa | |||||
| L | H | K | n-Фd | K | n-Фd | K | n-Фd | |||
| 50 | 43 | 63 | 180 | 315 | 125 | 4-18 | 125 | 4-18 | 125 | 4-18 |
| 65 | 46 | 70 | 180 | 330 | 145 | 4-18 | 145 | 4-18 | 145 | 8-18 |
| 80 | 46 | 83 | 245 | 390 | 160 | 4-18 | 160 | 8-18 | 160 | 8-18 |
| 100 | 52 | 105 | 240 | 431 | 180 | 8-18 | 180 | 8-18 | 190 | 8-22 |
| 125 | 56 | 115 | 240 | 455 | 210 | 8-18 | 210 | 8-18 | 220 | 8-26 |
| 150 | 56 | 137 | 350 | 626 | 240 | 8-22 | 240 | 8-22 | 250 | 8-26 |
| 200 | 60 | 164 | 350 | 720 | 295 | 8-22 | 295 | 12-22 | 310 | 12-26 |
| 250 | 68 | 206 | 550 | 800 | 350 | 12-22 | 355 | 12-26 | 370 | 12-30 |
| 300 | 78 | 230 | 600 | 860 | 400 | 12-22 | 410 | 12-26 | 430 | 16-30 |
| 350 | 78 | 248 | 600 | 883 | 460 | 16-22 | 470 | 12-26 | 490 | 16-33 |
| 400 | 102 | 289 | 600 | 972 | 515 | 16-26 | 525 | 16-26 | 550 | 16-36 |
| 450 | 114 | 320 | 750 | 1043 | 565 | 20-26 | 585 | 16-30 | 600 | 20-36 |
| 500 | 127 | 343 | 750 | 1098 | 620 | 20-26 | 650 | 20-30 | 660 | 20-36 |
| 600 | 154 | 413 | 750 | 1236 | 725 | 20-30 | 770 | 20-33 | 770 | 20-39 |
| 700 | 165 | 478 | 750 | 1431 | 840 | 24-30 | 840 | 24-36 | 875 | 24-42 |
| 800 | 190 | 525 | 750 | 1488 | 950 | 24-33 | 950 | 24-39 | 990 | 24-48 |
| 900 | 203 | 585 | 1250 | 1615 | 1050 | 28-33 | 1050 | 28-39 | 1090 | 28-48 |
| 1000 | 216 | 640 | 1500 | 1765 | 1160 | 28-36 | 1170 | 28-42 | 1210 | 28-56 |
| 1200 | 254 | 755 | 1500 | 1976 | 1380 | 32-39 | 1390 | 32-48 | 1420 | 32-56 |
安裝注事事項:
1、安裝前應核對蝶閥規格、壓力、溫度、耐腐性是否滿足使用要求。 應檢查各零部件是否損壞或松動。2、本蝶閥可安裝在任意角度的管道上,應關閉安裝為宜;焊接管道法蘭時應將閥門密封口用板擋住以防止顆粒、雜物挫傷密封面,焊后取下 閥門,對閥門密封面及管道內腔進行清潔,然后再安裝固定閥門。
3、安裝時請注意閥門關閉狀態承壓方向。
4、安裝前應將密封面(兩端密封面、蝶板密封面、閥座密封面)徹底擦干凈,去掉灰塵和污物。
5、安裝前應空試蝶閥,啟閉應靈活,啟閉位置與指針指示位置相符合。
6、手動操作順時針為關,逆時針為開,指針指示到位后不準再加力啟閉閥門。
7、閥門做壓力試驗時,不準用單法蘭進行安裝試壓,采用雙法蘭安裝試壓。其試驗壓力應符合GB/T13927-92標準規定。
8、緊固螺栓時應對稱交替進行緊固,不準依次單獨緊固。
9、限位螺釘出廠前,已經調好,不準輕易調整。若配置驅動裝置為電動、氣動請閱配套驅動裝置說明書。
10、電動蝶閥出廠時已將控制機構的啟閉行程調好。為防止電源接通時方向搞錯,用戶在第一次接通電源前要先手動開啟到半開位置,再按點動開關,檢查指示盤方向與閥門開啟方向一致即可。
11、發現閥門啟閉失常應查明原因進行修理和排除,防止用加力方法開關閥門,造成閥門的損壞。
AT系列閥門氣動執行器簡介


AT系列閥門氣動執行器的性能
1、齒輪齒條雙活塞對稱結構設計,動作快速平穩,精度高,輸出功率大,通過簡單的改變活塞裝配位置可得到反方向旋轉。2、擠壓的鋁合金缸體,經精密加工的內孔和外部表面進行硬質陽極氧化處理(特殊情況下陽極氧化+特氟隆涂層),使用壽命更長,摩擦系數低。
3、一體式設計,所有的雙作用和單作用執行器型號,都具有相同的缸體和端蓋,很方便通過加裝彈簧或拆除彈簧來改變作用方式。
4、組合式預符荷彈簧組,不論在裝配過程或使用現場中,都能方便而的安裝或增減彈簧數量。
5、外部側面兩個單獨調節螺釘對于已安裝在閥門上的執行器更是精確方便,調節閥開和閥關位置,如需全行程調節時則另外在兩個端蓋處配置較長調節螺釘。
6、多功能位置指示器,現場可視化指示,符合VID/VIE3845、NAMUR標準槽,能安裝并輸出所有附件,如限位開關盒、電氣定位器、位置傳感器。
7、氣源接口符合NRMAR標準,可直接安裝NUMAR標準電磁閥。
8、齒條背面的復合材料軸瓦和活塞導向環以及輸出軸的軸承等為防止金屬對金屬的摩擦,并且增加潤滑,使其低摩擦、長壽命。
9、所有的緊固件均采用不銹鋼材料,長期抗腐蝕。
10、連接部分符合全新標準規范ISO5211,DIN3337(F03-F25)使產安裝具有互換性、通用性。
ATDA型雙作氣用式氣動執行器工作原理

當氣源壓力從氣口(2)進入氣缸兩活塞之間中腔時,使兩活塞分離向氣缸兩端方向移動,兩端氣腔的空氣通過氣口(4)排出,同時使兩活塞齒條同步帶動輸出軸(齒輪)逆時針方向旋轉。反之氣源壓力從氣口(4)進入氣缸兩端氣腔時,使兩活塞向氣缸中間方向移動,中間氣腔的空氣通過氣口(2)排出,同時使兩活塞齒條同步帶動輸出軸(齒輪)順時針方向旋轉。
ATSR型單作氣用式氣動執行器工作原理

當氣源壓力從氣口(2)進入氣缸兩活塞之間中腔時,使兩活塞分離向氣缸兩端方向移動,迫使兩端的彈簧壓縮,兩端氣腔的空氣通過氣口(4)排出,同時使兩活塞齒條同步帶動輸出軸(齒輪)逆時針方向旋轉。在氣源壓力經過電磁閥換向后,氣缸的兩活塞在彈簧的彈力下向中間方向移動,中間氣腔的空氣從氣口(2)排出,同時使兩活塞齒條同步帶動輸出軸(齒輪)順時針方向旋轉。
溫馨提示:本文中所有文字、數據、圖片均只適用于參考,D671X對夾式氣動軟密封蝶閥性能參數、結構尺寸參數、價格等詳情,請聯系我們。
相關文章
- 2025/01/27GHZXQYF-16RL-DN25不銹鋼在線取樣閥
- 2024/12/30手動法蘭取樣閥
- 2024/12/27自動復位在線取樣閥-帶鎖-堵頭
- 2024/12/26在線氣動定量取樣裝置-帶免開箱蓋蓋裝置
- 2024/12/26在線密閉式取樣閥-配PFA取樣瓶



電動閥門