D971X電動軟密封蝶閥
日期:2018/08/31
瀏覽:
產品概述
D971X電動軟密封蝶閥PN10~PN25是用隨閥桿轉動的圓形蝶板做啟閉性,以實現啟用動作的氣動閥門主要做截斷閥使用,亦可設計成具有調節或段閥兼調節的功能,目前碟閥在低壓大中口徑管道上的使用越來越多。 電動軟密封蝶閥的蝶板安裝于管道的直徑方向。在蝶閥閥體圓柱形通道內,圓盤形蝶板繞著軸線旋轉,旋轉角度為0°~90°之間,旋轉到90°時,閥門則全開狀態。
電動軟密封蝶閥特點
1、電動軟密封蝶閥采用中線結構,密封性能可靠。
2、密封副材料選用不銹鋼和丁腈耐油橡膠配對,使用壽命長。
3、橡膠密封圈即可位于閥體上,也可以位于蝶板上,可適用不同特點的介質,供用戶選擇。
4、蝶板采用框架結構,強度高,過流面積大,流阻小。
5、整體烤漆、能有效地防止銹蝕且只要更換密封閥座密封材料,就可使用于不同介質。
6、本閥具有雙向密封功能,安裝時不受介質流向的控制,也不受空間位置的影響,可在任何方向安裝。
7、本閥結構,操作靈活,省力,方便。
蝶閥型號編制說明
| 閥門類型 | 傳動方式 | 連接形式 | 結構形式 | 密封材質 | 公稱壓力 | 閥體材質 |
|---|---|---|---|---|---|---|
| D:蝶閥 |
1:電磁-液動 2:電-液動 3:蝸輪 6:氣動 7:液動 8:氣-液動 9:電動 注:閥門為 手動時,此 欄不寫 |
4:法蘭 6:焊接 7:對夾 8:卡箍 9:卡套 |
見附表 |
T:銅合金 X:橡膠 F:氟塑料 H:合金鋼 Y:硬質合金 J:襯膠 W:本體 F46:襯氟 |
-10:PN1.0MPa -16:PN1.6MPa -25:PN2.5MPa -40:PN4.0MPa -64:PN6.4MPa -150LB:Class150 -300LB:Class300 -600LB:Class600 |
C碳鋼 H:Cr13系列鋼 I:鉻鉬鋼 K:可鍛鑄鐵 P:鉻鎳不銹鋼 Q:球墨鑄鐵 R:鉻鎳鉬不銹鋼 T:銅 TI:鈦及鈦合金 V:鉻鉬釩鋼 Z:灰鑄鐵 |
蝶閥結構形式代號附表
| 蝶閥結構形式代號 | |||||
|---|---|---|---|---|---|
| 結構形式 | 代號 | 結構形式 | 代號 | ||
| 密封型蝶閥 | 單偏心蝶閥 | 0 | 非密封型蝶閥 | 單偏心蝶閥 | 5 |
| 中心垂直板蝶閥 | 1 | 中心垂直板蝶閥 | 6 | ||
| 雙偏心蝶閥 | 2 | 雙偏心蝶閥 | 7 | ||
| 三偏心蝶閥 | 3 | 三偏心蝶閥 | 8 | ||
| 連桿機構蝶閥 | 4 | 連桿機構蝶閥 | 9 | ||
主要零件材料
| 零件名稱 | 材料 |
|---|---|
| 閥體 | 球墨鑄鋼、鑄鋼、合金鋼、不銹鋼 |
| 蝶板 | 灰鑄鐵、球墨鑄鋼、鑄鋼、不銹鋼及特殊材料 |
| 密封圈 | 各種橡膠、聚四氟 |
| 閥桿 | 2Cr13、不銹鋼 |
| 填料 | O型圈、柔性石墨 |
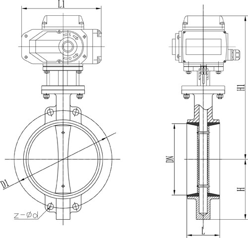
主要外形連接尺寸
| 公稱通經(DN) | 主要尺寸 | 法蘭尺寸 | |||||||||||
|---|---|---|---|---|---|---|---|---|---|---|---|---|---|
| L | L1 | H | H1 | 1.0MPa | 1.6MPa | 2.5MPa | |||||||
| D | D1 | n-Фd | D | D1 | n-Фd | D | D1 | n-Фd | |||||
| 50 | 108 | 43 | 63 | 530 | 165 | 125 | 4-18 | 165 | 125 | 4-18 | 165 | 125 | 4-18 |
| 65 | 112 | 46 | 70 | 530 | 185 | 145 | 4-18 | 185 | 145 | 4-18 | 185 | 145 | 8-18 |
| 80 | 114 | 46 | 83 | 565 | 200 | 160 | 4-18 | 200 | 160 | 8-18 | 200 | 160 | 8-18 |
| 100 | 127 | 52 | 105 | 600 | 220 | 180 | 8-18 | 220 | 180 | 8-18 | 235 | 190 | 8-22 |
| 125 | 140 | 56 | 115 | 640 | 250 | 210 | 8-18 | 250 | 210 | 8-18 | 270 | 220 | 8-26 |
| 150 | 140 | 56 | 137 | 705 | 285 | 240 | 8-22 | 285 | 240 | 8-22 | 300 | 250 | 8-26 |
| 200 | 152 | 60 | 164 | 775 | 340 | 295 | 8-22 | 340 | 295 | 12-22 | 360 | 310 | 12-26 |
| 250 | 165 | 68 | 206 | 945 | 395 | 350 | 12-22 | 405 | 355 | 12-26 | 425 | 370 | 12-30 |
| 300 | 178 | 78 | 230 | 1070 | 445 | 400 | 12-22 | 460 | 410 | 12-26 | 485 | 430 | 16-30 |
| 350 | 190 | 78 | 248 | 1140 | 505 | 460 | 16-22 | 520 | 470 | 12-26 | 555 | 490 | 16-33 |
| 400 | 216 | 102 | 289 | 1210 | 565 | 515 | 16-26 | 580 | 525 | 16-26 | 620 | 550 | 16-36 |
| 450 | 222 | 114 | 320 | 1335 | 615 | 565 | 20-26 | 640 | 585 | 16-30 | 670 | 600 | 20-36 |
| 500 | 229 | 127 | 342 | 1415 | 670 | 620 | 20-26 | 715 | 650 | 20-30 | 730 | 660 | 20-36 |
| 600 | 267 | 154 | 413 | 1605 | 780 | 725 | 20-30 | 840 | 770 | 20-33 | 845 | 770 | 20-39 |
| 700 | 430 | 165 | 478 | 1844 | 895 | 840 | 24-30 | 910 | 840 | 24-36 | 960 | 875 | 24-42 |
| 800 | 470 | 190 | 525 | 2040 | 1015 | 950 | 24-33 | 1025 | 950 | 24-39 | 1085 | 990 | 24-48 |
| 900 | 510 | 203 | 585 | 2255 | 1115 | 1050 | 28-33 | 1125 | 1050 | 28-39 | 1185 | 1090 | 28-48 |
| 1000 | 550 | 216 | 640 | 2380 | 1230 | 1160 | 28-36 | 1255 | 1170 | 28-42 | 1320 | 1210 | 28-56 |
| 1200 | 630 | 254 | 755 | 2640 | 1455 | 1380 | 32-39 | 1485 | 1390 | 32-48 | 1530 | 1420 | 32-56 |
安裝注事事項:
1、安裝前應核對蝶閥規格、壓力、溫度、耐腐性是否滿足使用要求。 應檢查各零部件是否損壞或松動。2、本蝶閥可安裝在任意角度的管道上,應關閉安裝為宜;焊接管道法蘭時應將閥門密封口用板擋住以防止顆粒、雜物挫傷密封面,焊后取下 閥門,對閥門密封面及管道內腔進行清潔,然后再安裝固定閥門。
3、安裝時請注意閥門關閉狀態承壓方向。
4、安裝前應將密封面(兩端密封面、蝶板密封面、閥座密封面)徹底擦干凈,去掉灰塵和污物。
5、安裝前應空試蝶閥,啟閉應靈活,啟閉位置與指針指示位置相符合。
6、手動操作順時針為關,逆時針為開,指針指示到位后不準再加力啟閉閥門。
7、閥門做壓力試驗時,不準用單法蘭進行安裝試壓,采用雙法蘭安裝試壓。其試驗壓力應符合GB/T13927-92標準規定。
8、緊固螺栓時應對稱交替進行緊固,不準依次單獨緊固。
9、限位螺釘出廠前,已經調好,不準輕易調整。若配置驅動裝置為電動、氣動請閱配套驅動裝置說明書。
10、電動蝶閥出廠時已將控制機構的啟閉行程調好。為防止電源接通時方向搞錯,用戶在第一次接通電源前要先手動開啟到半開位置,再按點動開關,檢查指示盤方向與閥門開啟方向一致即可。
11、發現閥門啟閉失常應查明原因進行修理和排除,防止用加力方法開關閥門,造成閥門的損壞。
精小型電動執行器概述

精小型電動執行器性能特點
1.売休:売體為硬質鋁合金,經陽極鋌化處理和聚酯粉未涂層,耐腐蝕性強,防護等級為IP67,NEMA4和6,并有IP68型供選擇。2.電機:全封閉式鼠籠式電機,體積小,扭距大,慣性力小,絕緣等級為F級,內置熱保護開關,可防止損壞電機。
3.手動結構:手柄的設計保證可靠、省力、體積小。不通電時,扳動手柄可進行手動操作,不用手動時,將板手罝于板手夾內,方便使用。
4.指示器:指示器安裝在中心軸上,可以觀察閥門位置。透鏡采用凸出鏡設計,不積水,觀察更方便。
5.干燥器:用來控制溫度,防止由于溫度和天氣變化導致執行器內部水分凝結,保持內部電氣元件的干燥。
6.密封密封性好:標準產品防護等級是IP67,并可選IP68防護等級。
7.限位開關:機械、電子雙重限位。機械限位螺釘可調,可靠:電子限位開關由凸輪機構來控制,簡單的調整機構能精確并方便地設定位罝,且不受平輪過量的影響。
8.自鎖:精密的蝸輪蝸桿機構可傳輸大扭距,效率高,噪音低(50分貝),壽命長:有自鎖功能,防止反轉,傳動部分穩定可靠,無需再加油。
9.防脫螺栓:拆除外殼時,螺栓附在殼體上,不會脫落。
10.安裝:底部安裝尺寸符合IS05211/DIN3337標準,孔成雙四方形便于帶方桿的閥線性或45°轉角安裝,適應性強。 可以垂頁安裝,也可以水平安裝。
11.線路控制:線路符合單相或三相電源標準,線路布置緊湊合理,接線端子可有效滿足各種附加功能的要求。
精小型電動執行器標準技術參數
| 標準技術參數 | |
|---|---|
| 外殼 | 鋁合金外亮.防水級別:IP67.NEMA4和6 |
| 電機電源 | 110/220V AC、380/440V AC、 50/60Hz.±10% |
| 控制電源 | 110/220V AC 50/60 Hz,±10% |
| 電機 | 鼠籠式異步電動機 |
| 限位開關 | 2x開(On)/關(Off), SPDT.250VAC 10A |
| 輔助限位開關 | 2x開(On )/關(Off), SPDT.250V AC 10A |
| 行程 | 90°-270±10° (90°以上提前說明) |
| 失效保護/操作溫度 | 內置熱保護,開120℃±5℃ |
| 指示器 | 連結的位置指示 |
| 手動操作 | 機械手柄(可選裝手輪) |
| 自鎖裝置 | 蝸輪,蝸桿機構提供自鎖 |
| 機械限位 | 2個外部調整螺栓 |
| 干燥器 | 7-10W (110/220V AC) |
| 接線孔 | 2個M18 |
| 環境溫度 | -20℃-+70℃ |
| 潤滑 | 鋁基潤滑脂(EP型) |
| 材料 | 鋼,鋁合金,鋁青銅,聚碳酸脂 |
| 環境濕度 | 90% RH 非凝結 |
| 抗震性能 | X Y Z 10g,0.2-34 Hz.30分 |
| 外涂層 | 干粉,環氧聚酯 |
溫馨提示:本文中所有文字、數據、圖片均只適用于參考,D971X電動軟密封蝶閥性能參數、結構尺寸參數、價格等詳情,請聯系我們。
相關文章
- 2025/01/27GHZXQYF-16RL-DN25不銹鋼在線取樣閥
- 2024/12/30手動法蘭取樣閥
- 2024/12/27自動復位在線取樣閥-帶鎖-堵頭
- 2024/12/26在線氣動定量取樣裝置-帶免開箱蓋蓋裝置
- 2024/12/26在線密閉式取樣閥-配PFA取樣瓶




電動閥門