D971F46對夾式電動襯氟蝶閥
日期:2018/05/30
瀏覽:
產品概述
D971F46對夾式襯電動氟蝶閥PN6~PN16(亦稱耐腐蝕電動蝶閥)是由電動執行器及襯氟蝶閥閥體組成,蝶閥是用閥桿一起轉動的蝶板作啟閉件,用以實現閥門的開啟,關閉與調節。電動襯氟蝶閥是在過流部件、閥體、蝶板、閥桿上采用襯里技術襯里較厚的高分子材料,防腐蝕性能優良,耐腐蝕電動蝶閥可適用于任何濃度的酸、堿、鹽及氧化劑、還原劑、有機溶劑等介質,是化工、石油、醫藥、食品、鋼鐵冶煉、造紙、水電等系統的氣體、液體、半流體的管路和容器上作截流和調節設備使用的理想產品,并可取代閘閥、截止閥和其它類型的切斷、調節閥門。產品結構特點
1、體積小、重量輕、操作輕巧、便于安裝、維修。
2、密封性能優良可靠、零泄漏,使用壽命長。
3、流量特性趨于直線,調節性能優。
4、結構簡單,開關迅速,90°旋轉啟閉。
5、可代替閘閥、截止閥、旋塞閥、膠管閥及隔膜閥等各種閥的使用。
6、可根據用戶要求配置氣動、電動裝置,滿足遙控和程控的需要。
7、更換零件襯里材質可適用于各種介質 。
蝶閥型號編制說明
| 閥門類型 | 傳動方式 | 連接形式 | 結構形式 | 密封材質 | 公稱壓力 | 閥體材質 |
|---|---|---|---|---|---|---|
| D:蝶閥 |
1:電磁-液動 2:電-液動 3:蝸輪 6:氣動 7:液動 8:氣-液動 9:電動 注:閥門為 手動時,此 欄不寫 |
4:法蘭 6:焊接 7:對夾 8:卡箍 9:卡套 |
見附表 |
T:銅合金 X:橡膠 F:氟塑料 H:合金鋼 Y:硬質合金 J:襯膠 W:本體 F46:襯氟 |
-10:PN1.0MPa -16:PN1.6MPa -25:PN2.5MPa -40:PN4.0MPa -64:PN6.4MPa -150LB:Class150 -300LB:Class300 -600LB:Class600 |
C碳鋼 H:Cr13系列鋼 I:鉻鉬鋼 K:可鍛鑄鐵 P:鉻鎳不銹鋼 Q:球墨鑄鐵 R:鉻鎳鉬不銹鋼 T:銅 TI:鈦及鈦合金 V:鉻鉬釩鋼 Z:灰鑄鐵 |
蝶閥結構形式代號附表
| 蝶閥結構形式代號 | |||||
|---|---|---|---|---|---|
| 結構形式 | 代號 | 結構形式 | 代號 | ||
| 密封型蝶閥 | 單偏心蝶閥 | 0 | 非密封型蝶閥 | 單偏心蝶閥 | 5 |
| 中心垂直板蝶閥 | 1 | 中心垂直板蝶閥 | 6 | ||
| 雙偏心蝶閥 | 2 | 雙偏心蝶閥 | 7 | ||
| 三偏心蝶閥 | 3 | 三偏心蝶閥 | 8 | ||
| 連桿機構蝶閥 | 4 | 連桿機構蝶閥 | 9 | ||
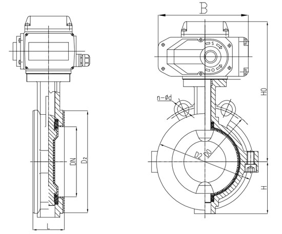
產品主要外形連接尺寸

| 公稱通徑 |
結構長度 (標準值) |
外形尺寸 (參考值) |
連接尺寸(標準值) | |||||||||
|---|---|---|---|---|---|---|---|---|---|---|---|---|
| 0.6MPa | 1.0MPa | 1.6MPa | ||||||||||
| 毫米 | 英寸 | L | H | H0 | A | B | D0 | n-φd | D0 | n-φd | D0 | n-φd |
| 50 | 2 | 43 | 63 | 438 | 125 | 125 | 110 | 4-14 | 125 | 4-18 | 125 | 4-18 |
| 65 | 21/2 | 46 | 70 | 453 | 125 | 125 | 130 | 4-14 | 145 | 4-18 | 145 | 4-18 |
| 80 | 3 | 46 | 83 | 478 | 125 | 125 | 150 | 4-18 | 160 | 8-18 | 160 | 8-18 |
| 100 | 4 | 52 | 105 | 519 | 125 | 125 | 170 | 4-18 | 180 | 8-18 | 180 | 8-18 |
| 125 | 5 | 56 | 115 | 713 | 325 | 245 | 200 | 8-18 | 210 | 8-18 | 210 | 8-18 |
| 150 | 6 | 56 | 137 | 749 | 325 | 245 | 225 | 8-18 | 240 | 8-22 | 240 | 8-22 |
| 200 | 8 | 60 | 164 | 843 | 325 | 245 | 280 | 8-18 | 295 | 8-22 | 295 | 12-22 |
| 250 | 10 | 68 | 206 | 947 | 363 | 313 | 335 | 12-18 | 350 | 12-22 | 355 | 12-26 |
| 300 | 12 | 78 | 230 | 1013 | 363 | 313 | 395 | 12-22 | 400 | 12-22 | 410 | 12-26 |
| 350 | 14 | 78 | 248 | 1046 | 363 | 313 | 445 | 12-22 | 460 | 16-22 | 470 | 16-26 |
| 400 | 16 | 102 | 289 | 1135 | 363 | 313 | 495 | 16-22 | 515 | 16-26 | 525 | 16-30 |
| 450 | 18 | 114 | 320 | 1328 | 465 | 439 | 550 | 16-22 | 565 | 20-26 | 585 | 20-30 |
| 500 | 20 | 127 | 343 | 1226 | 546 | 431 | 600 | 20-22 | 620 | 20-26 | 650 | 20-33 |
| 600 | 24 | 154 | 413 | 1394 | 546 | 556 | 705 | 20-26 | 725 | 20-30 | 770 | 20-36 |
| 700 | 28 | 165 | 478 | 1534 | 546 | 556 | 810 | 24-26 | 840 | 24-30 | 840 | 24-36 |
| 800 | 32 | 190 | 525 | 1659 | 546 | 556 | 920 | 24-30 | 950 | 24-33 | 950 | 24-39 |
| 900 | 36 | 203 | 585 | 1748 | 617 | 706 | 1020 | 24-30 | 1050 | 28-33 | 1050 | 28-39 |
| 1000 | 40 | 216 | 640 | 1805 | 632 | 706 | 1120 | 28-30 | 1160 | 28-36 | 1170 | 28-42 |
| 1200 | 48 | 254 | 755 | 2035 | 632 | 706 | 1340 | 32-33 | 1380 | 32-39 | 1390 | 32-48 |
| 1400 | 56 | 279 | 910 | 2310 | 790 | 1338 | 1560 | 36-36 | 1590 | 36-42 | 1590 | 36-48 |
| 1600 | 64 | 318 | 1030 | 2845 | 868 | 1476 | 1760 | 40-36 | 1820 | 40-48 | 1820 | 40-56 |
| 1800 | 72 | 356 | 1140 | 3060 | 868 | 1476 | 1970 | 44-39 | 2020 | 44-48 | 2020 | 44-56 |
| 2000 | 80 | 406 | 1250 | 3350 | 965 | 1600 | 2180 | 48-42 | 2230 | 48-48 | 2230 | 48-62 |
安裝注意事項
1、安裝前應核對蝶閥規格、壓力、溫度、耐腐性是否滿足使用要求。 應檢查各零部件是否損壞或松動。2、本蝶閥可安裝在任意角度的管道上,應關閉安裝為宜;焊接管道法蘭時應將閥門密封口用板擋住以防止顆粒、雜物挫傷密封面,焊后取下 閥門,對閥門密封面及管道內腔進行清潔,然后再安裝固定閥門。
3、安裝時請注意閥門關閉狀態承壓方向。
4、安裝前應將密封面(兩端密封面、蝶板密封面、閥座密封面)徹底擦干凈,去掉灰塵和污物。
5、安裝前應空試蝶閥,啟閉應靈活,啟閉位置與指針指示位置相符合。
6、手動操作順時針為關,逆時針為開,指針指示到位后不準再加力啟閉閥門。
7、閥門做壓力試驗時,不準用單法蘭進行安裝試壓,采用雙法蘭安裝試壓。其試驗壓力應符合GB/T13927-92標準規定。
8、緊固螺栓時應對稱交替進行緊固,不準依次單獨緊固。
9、限位螺釘出廠前,已經調好,不準輕易調整。若配置驅動裝置為電動、氣動請閱配套驅動裝置說明書。
10、電動蝶閥出廠時已將控制機構的啟閉行程調好。為防止電源接通時方向搞錯,用戶在第一次接通電源前要先手動開啟到半開位置,再按點動開關,檢查指示盤方向與閥門開啟方向一致即可。
11、發現閥門啟閉失常應查明原因進行修理和排除,防止用加力方法開關閥門,造成閥門的損壞。
精小型電動執行器概述

精小型電動執行器性能特點
1.売休:売體為硬質鋁合金,經陽極鋌化處理和聚酯粉未涂層,耐腐蝕性強,防護等級為IP67,NEMA4和6,并有IP68型供選擇。2.電機:全封閉式鼠籠式電機,體積小,扭距大,慣性力小,絕緣等級為F級,內置熱保護開關,可防止損壞電機。
3.手動結構:手柄的設計保證可靠、省力、體積小。不通電時,扳動手柄可進行手動操作,不用手動時,將板手罝于板手夾內,方便使用。
4.指示器:指示器安裝在中心軸上,可以觀察閥門位置。透鏡采用凸出鏡設計,不積水,觀察更方便。
5.干燥器:用來控制溫度,防止由于溫度和天氣變化導致執行器內部水分凝結,保持內部電氣元件的干燥。
6.密封密封性好:標準產品防護等級是IP67,并可選IP68防護等級。
7.限位開關:機械、電子雙重限位。機械限位螺釘可調,可靠:電子限位開關由凸輪機構來控制,簡單的調整機構能精確并方便地設定位罝,且不受平輪過量的影響。
8.自鎖:精密的蝸輪蝸桿機構可傳輸大扭距,效率高,噪音低(50分貝),壽命長:有自鎖功能,防止反轉,傳動部分穩定可靠,無需再加油。
9.防脫螺栓:拆除外殼時,螺栓附在殼體上,不會脫落。
10.安裝:底部安裝尺寸符合IS05211/DIN3337標準,孔成雙四方形便于帶方桿的閥線性或45°轉角安裝,適應性強。 可以垂頁安裝,也可以水平安裝。
11.線路控制:線路符合單相或三相電源標準,線路布置緊湊合理,接線端子可有效滿足各種附加功能的要求。
精小型電動執行器標準技術參數
| 標準技術參數 | |
|---|---|
| 外殼 | 鋁合金外亮.防水級別:IP67.NEMA4和6 |
| 電機電源 | 110/220V AC、380/440V AC、 50/60Hz.±10% |
| 控制電源 | 110/220V AC 50/60 Hz,±10% |
| 電機 | 鼠籠式異步電動機 |
| 限位開關 | 2x開(On)/關(Off), SPDT.250VAC 10A |
| 輔助限位開關 | 2x開(On )/關(Off), SPDT.250V AC 10A |
| 行程 | 90°-270±10° (90°以上提前說明) |
| 失效保護/操作溫度 | 內置熱保護,開120℃±5℃ |
| 指示器 | 連結的位置指示 |
| 手動操作 | 機械手柄(可選裝手輪) |
| 自鎖裝置 | 蝸輪,蝸桿機構提供自鎖 |
| 機械限位 | 2個外部調整螺栓 |
| 干燥器 | 7-10W (110/220V AC) |
| 接線孔 | 2個M18 |
| 環境溫度 | -20℃-+70℃ |
| 潤滑 | 鋁基潤滑脂(EP型) |
| 材料 | 鋼,鋁合金,鋁青銅,聚碳酸脂 |
| 環境濕度 | 90% RH 非凝結 |
| 抗震性能 | X Y Z 10g,0.2-34 Hz.30分 |
| 外涂層 | 干粉,環氧聚酯 |
溫馨提示:本文中所有文字、數據、圖片均只適用于參考,D971F46對夾式電動襯氟蝶閥性能參數、結構尺寸參數、價格等詳情,請聯系我們。
相關文章
- 2025/01/27GHZXQYF-16RL-DN25不銹鋼在線取樣閥
- 2024/12/30手動法蘭取樣閥
- 2024/12/27自動復位在線取樣閥-帶鎖-堵頭
- 2024/12/26在線氣動定量取樣裝置-帶免開箱蓋蓋裝置
- 2024/12/26在線密閉式取樣閥-配PFA取樣瓶



電動閥門