D943H電動法蘭硬密封蝶閥
日期:2018/05/26
瀏覽:
產品概述
D943H電動法蘭硬密封蝶閥采用一個"U"型不銹鋼密封圈,該精密的彈性密封圈與經過拋光的蝶板三維偏心接觸。解決了傳統偏心蝶閥在啟閉0°~10°瞬間密封面仍處于滑動接觸摩擦的弊病,實現蝶板在開啟瞬間密封面即分離,關閉接觸即密封的效果,達到延長使用壽命、密封性能的目的。因此被廣泛地應用到介質溫度≤1200℃的冶金、電力、石油、化工、空氣、煤氣、可燃氣體以及給排水等腐蝕性介質的管道上,是調節流量和截斷流體的裝置。產品特點
1、該蝶閥結構簡單、緊湊、重量輕、易于安裝和拆卸、維修方便;2、本電動蝶閥采用不銹鋼"U"型密封圈,具有一定的彈性無論在高溫、低溫的情況下,它與蝶板均具有優良的密封性;
3、本蝶閥的三維偏心距,經過嚴格的計算,"U"型密封圈與蝶板幾乎無磨擦,使用壽命長,并具有越關越緊的功能;
4、蝶板密封面采用堆焊鈷基硬質合金,密封面耐磨損,使用壽命長;
5、本蝶閥結構,"開關"僅需轉動閥桿90°即可完成。操作靈活、方便、省力、不受介質壓力的高低影響,密封性能可靠;
蝶閥型號編制說明
|
特殊閥 前代號 |
閥門類型 | 傳動方式 | 連接形式 | 結構形式 | 密封材質 | 公稱壓力 | 閥體材質 |
|---|---|---|---|---|---|---|---|
|
D:低溫閥 |
D:蝶閥 |
1:電磁-液動 2:電-液動 3:蝸輪 6:氣動 7:液動 8:氣-液動 9:電動 注:閥門為 手動時,此 欄不寫 |
4:法蘭 6:焊接 7:對夾 8:卡箍 9:卡套 |
見附表 |
T:銅合金 X:橡膠 F:氟塑料 H:合金鋼 Y:硬質合金 J:襯膠 W:本體 |
-10:PN1.0MPa -16:PN1.6MPa -25:PN2.5MPa -40:PN4.0MPa -64:PN6.4MPa -150LB:Class150 -300LB:Class300 -600LB:Class600 |
C碳鋼 H:Cr13系列鋼 I:鉻鉬鋼 K:可鍛鑄鐵 P:鉻鎳不銹鋼 Q:球墨鑄鐵 R:鉻鎳鉬不銹鋼 T:銅 TI:鈦及鈦合金 V:鉻鉬釩鋼 Z:灰鑄鐵 |
蝶閥結構形式代號附表
| 蝶閥結構形式代號 | |||||
|---|---|---|---|---|---|
| 結構形式 | 代號 | 結構形式 | 代號 | ||
| 密封型蝶閥 | 單偏心蝶閥 | 0 | 非密封型蝶閥 | 單偏心蝶閥 | 5 |
| 中心垂直板蝶閥 | 1 | 中心垂直板蝶閥 | 6 | ||
| 雙偏心蝶閥 | 2 | 雙偏心蝶閥 | 7 | ||
| 三偏心蝶閥 | 3 | 三偏心蝶閥 | 8 | ||
| 連桿機構蝶閥 | 4 | 連桿機構蝶閥 | 9 | ||
主要技術參數
| 公稱壓力(MPa) | 0.25 | 0.6 | 1.0 | |
|---|---|---|---|---|
| 公稱通經(mm) | 1000~2400 | 800~2400 | 500~1600 | |
| 試驗壓力 | 強度試驗 | 0.375 | 0.90 | 1.5 |
| 密封試驗 | 0.275 | 0.66 | 1.1 | |
| 適用介質 | 水、油等 | |||
| 適用溫度(℃) | ≤80℃ | |||
| 安裝方式 | 立式、臥式 | |||
執行標準
| 設計制造 | 法蘭連接尺寸 | 結構長度 | 壓力試驗 |
|---|---|---|---|
| GB12238 | GB2555-2526-8 | GB12221 | GB/T13927 |
主要零部件材料
| 零件名稱 | 材料 |
|---|---|
| 閥體 | 球墨鑄鋼、鑄鋼、合金鋼、不銹鋼 |
| 蝶板 | 灰鑄鐵、球墨鑄鋼、鑄鋼、不銹鋼及特殊材料 |
| 密封圈 | 各種橡膠、聚四氟 |
| 閥桿 | 2Cr13、不銹鋼 |
| 填料 | O型圈、柔性石墨 |
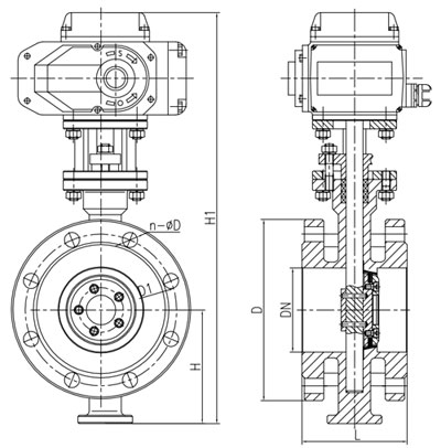
主要外形尺寸

| PN | DN | L | A | H1 | h3 | DO | B1 | B2 | B3 | B4 |
|---|---|---|---|---|---|---|---|---|---|---|
| 0.25MPa | 1000 | 410 | 817 | 1303 | 400 | 225 | 709 | 303 | 770 | |
| 1200 | 470 | 1200 | 812 | 1529 | 400 | 225 | 709 | 303 | 760 | |
| 1400 | 530 | 1400 | 1020 | 1692 | 400 | 225 | 728 | 303 | 760 | |
| 1600 | 600 | 1600 | 1145 | 1885 | 400 | 275 | 843 | 385 | 778 | |
| 1800 | 670 | 1800 | 1315 | 1924 | 400 | 275 | 879 | 385 | 792 | |
| 2000 | 760 | 2000 | 1670 | 2095 | 400 | 275 | 969 | 450 | 856 | |
| 2200 | 840 | 2200 | 1739 | 2487 | 400 | 430 | 1103 | 540 | 995 | |
| 2400 | 910 | 2400 | 1699 | 2595 | 400 | 430 | 1103 | 540 | 995 |
| PN | DN | L | A | H1 | h3 | DO | B1 | B2 | B3 | B4 |
|---|---|---|---|---|---|---|---|---|---|---|
| 0.6MPa | 800 | 318 | 667 | 1190 | 500 | 175 | 583 | 230 | 683 | |
| 900 | 330 | 745 | 1245 | 400 | 225 | 709 | 303 | 770 | ||
| 1000 | 410 | 817 | 1303 | 400 | 225 | 709 | 303 | 760 | ||
| 1200 | 470 | 1200 | 912 | 1529 | 400 | 225 | 728 | 303 | 760 | |
| 1400 | 530 | 1400 | 1041 | 1693 | 400 | 275 | 843 | 385 | 778 | |
| 1600 | 600 | 1600 | 1145 | 1885 | 400 | 275 | 879 | 385 | 792 | |
| 1800 | 670 | 1800 | 1346 | 1924 | 400 | 275 | 969 | 450 | 856 | |
| 2000 | 760 | 2000 | 1670 | 2095 | 400 | 430 | 1103 | 540 | 995 | |
| 2200 | 840 | 2200 | 1739 | 2487 | 400 | 430 | 1103 | 540 | 995 | |
| 2400 | 910 | 2400 | 1850 | 2595 | 400 | 430 | 1103 | 540 | 995 |
| PN | DN | L | A | H1 | h3 | DO | B1 | B2 | B3 | B4 |
|---|---|---|---|---|---|---|---|---|---|---|
| 1.0MPa | 500 | 229 | 548 | 943 | 500 | 145 | 533 | 162 | 610 | |
| 600 | 267 | 583 | 985 | 500 | 175 | 583 | 230 | 683 | ||
| 700 | 292 | 612 | 1075 | 500 | 175 | 583 | 230 | 683 | ||
| 800 | 318 | 677 | 1190 | 400 | 225 | 709 | 303 | 770 | ||
| 900 | 330 | 745 | 1245 | 400 | 225 | 709 | 303 | 760 | ||
| 1000 | 410 | 817 | 1303 | 400 | 225 | 728 | 303 | 760 | ||
| 1200 | 470 | 1200 | 948 | 1529 | 400 | 275 | 843 | 385 | 778 | |
| 1400 | 530 | 1400 | 1158 | 1692 | 400 | 275 | 879 | 385 | 792 | |
| 1600 | 600 | 1600 | 1285 | 1885 | 400 | 275 | 969 | 450 | 856 |
安裝注意事項
1、安裝前應核對蝶閥規格、壓力、溫度、耐腐性是否滿足使用要求。 應檢查各零部件是否損壞或松動。2、本蝶閥可安裝在任意角度的管道上,應關閉安裝為宜;焊接管道法蘭時應將閥門密封口用板擋住以防止顆粒、雜物挫傷密封面,焊后取下 閥門,對閥門密封面及管道內腔進行清潔,然后再安裝固定閥門。
3、安裝時請注意閥門關閉狀態承壓方向。
4、安裝前應將密封面(兩端密封面、蝶板密封面、閥座密封面)徹底擦干凈,去掉灰塵和污物。
5、安裝前應空試蝶閥,啟閉應靈活,啟閉位置與指針指示位置相符合。
6、手動操作順時針為關,逆時針為開,指針指示到位后不準再加力啟閉閥門。
7、閥門做壓力試驗時,不準用單法蘭進行安裝試壓,采用雙法蘭安裝試壓。其試驗壓力應符合GB/T13927-92標準規定。
8、緊固螺栓時應對稱交替進行緊固,不準依次單獨緊固。
9、限位螺釘出廠前,已經調好,不準輕易調整。若配置驅動裝置為電動、氣動請閱配套驅動裝置說明書。
10、電動蝶閥出廠時已將控制機構的啟閉行程調好。為防止電源接通時方向搞錯,用戶在第一次接通電源前要先手動開啟到半開位置,再按點動開關,檢查指示盤方向與閥門開啟方向一致即可。
11、發現閥門啟閉失常應查明原因進行修理和排除,防止用加力方法開關閥門,造成閥門的損壞。
精小型電動執行器概述

精小型電動執行器性能特點
1.売休:売體為硬質鋁合金,經陽極鋌化處理和聚酯粉未涂層,耐腐蝕性強,防護等級為IP67,NEMA4和6,并有IP68型供選擇。2.電機:全封閉式鼠籠式電機,體積小,扭距大,慣性力小,絕緣等級為F級,內置熱保護開關,可防止損壞電機。
3.手動結構:手柄的設計保證可靠、省力、體積小。不通電時,扳動手柄可進行手動操作,不用手動時,將板手罝于板手夾內,方便使用。
4.指示器:指示器安裝在中心軸上,可以觀察閥門位置。透鏡采用凸出鏡設計,不積水,觀察更方便。
5.干燥器:用來控制溫度,防止由于溫度和天氣變化導致執行器內部水分凝結,保持內部電氣元件的干燥。
6.密封密封性好:標準產品防護等級是IP67,并可選IP68防護等級。
7.限位開關:機械、電子雙重限位。機械限位螺釘可調,可靠:電子限位開關由凸輪機構來控制,簡單的調整機構能精確并方便地設定位罝,且不受平輪過量的影響。
8.自鎖:精密的蝸輪蝸桿機構可傳輸大扭距,效率高,噪音低(50分貝),壽命長:有自鎖功能,防止反轉,傳動部分穩定可靠,無需再加油。
9.防脫螺栓:拆除外殼時,螺栓附在殼體上,不會脫落。
10.安裝:底部安裝尺寸符合IS05211/DIN3337標準,孔成雙四方形便于帶方桿的閥線性或45°轉角安裝,適應性強。 可以垂頁安裝,也可以水平安裝。
11.線路控制:線路符合單相或三相電源標準,線路布置緊湊合理,接線端子可有效滿足各種附加功能的要求。
精小型電動執行器標準技術參數
| 標準技術參數 | |
|---|---|
| 外殼 | 鋁合金外亮.防水級別:IP67.NEMA4和6 |
| 電機電源 | 110/220V AC、380/440V AC、 50/60Hz.±10% |
| 控制電源 | 110/220V AC 50/60 Hz,±10% |
| 電機 | 鼠籠式異步電動機 |
| 限位開關 | 2x開(On)/關(Off), SPDT.250VAC 10A |
| 輔助限位開關 | 2x開(On )/關(Off), SPDT.250V AC 10A |
| 行程 | 90°-270±10° (90°以上提前說明) |
| 失效保護/操作溫度 | 內置熱保護,開120℃±5℃ |
| 指示器 | 連結的位置指示 |
| 手動操作 | 機械手柄(可選裝手輪) |
| 自鎖裝置 | 蝸輪,蝸桿機構提供自鎖 |
| 機械限位 | 2個外部調整螺栓 |
| 干燥器 | 7-10W (110/220V AC) |
| 接線孔 | 2個M18 |
| 環境溫度 | -20℃-+70℃ |
| 潤滑 | 鋁基潤滑脂(EP型) |
| 材料 | 鋼,鋁合金,鋁青銅,聚碳酸脂 |
| 環境濕度 | 90% RH 非凝結 |
| 抗震性能 | X Y Z 10g,0.2-34 Hz.30分 |
| 外涂層 | 干粉,環氧聚酯 |
溫馨提示:本文中所有文字、數據、圖片均只適用于參考,D943H電動法蘭硬密封蝶閥性能參數、結構尺寸參數、價格等詳情,請聯系我們。
相關文章
- 2025/01/27GHZXQYF-16RL-DN25不銹鋼在線取樣閥
- 2024/12/30手動法蘭取樣閥
- 2024/12/27自動復位在線取樣閥-帶鎖-堵頭
- 2024/12/26在線氣動定量取樣裝置-帶免開箱蓋蓋裝置
- 2024/12/26在線密閉式取樣閥-配PFA取樣瓶



電動閥門